DKC / ДКС Угол CDSD 90 вертикальный внешний переходник 90°, правый, основание 500мм, высота 50мм, в комплекте с крепежными элементами и соединительными пластинами, горячеоцинкованная сталь

0

Артикул: 37507KHDZ

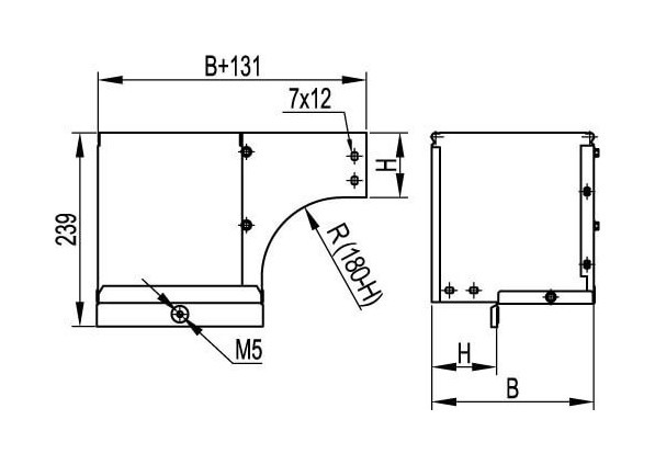
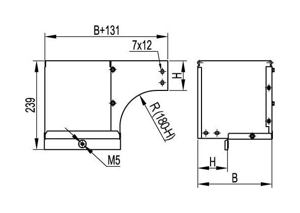
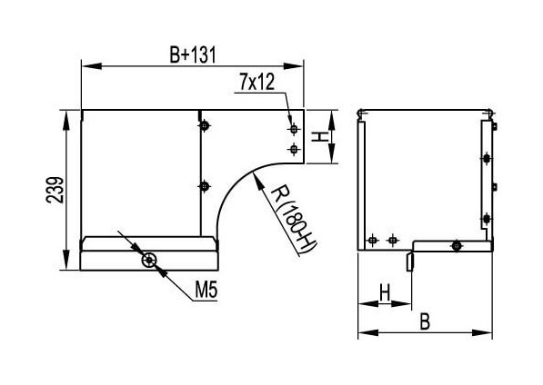
Лотки и аксессуары системы "S5 Combitech" применяются для построения кабельных трасс, в том числе сложного конструктива – с горизонтальными и вертикальными разворотами и изгибами. Вертикальный внешний угол CDSD используется для поворота кабельной трассы в вертикальной плоскости с разворотом открытой ее части на 90о вокруг своей оси. При этом плавный изгиб предотвращает повреждение кабеля при прокладке. Ровная боковая часть аксессуара позволяет размещать трассу вдоль стены. Угол применяется с лотками шириной 500 мм и высотой 50 мм. Внутренний радиус аксессуара - 130 мм. Применение комплектных аксессуаров облегчает расчет числа необходимых элементов для монтажа – в комплект уже входят соединительные пластины и детали крепежа. Аксессуар выполнен в специальном исполнении "Горячий цинк", которое отличает повышенная устойчивость к коррозии. Горячеоцинкованное изделие защищено от образования ржавчины на срок 30-50 лет (в зависимости от условий, в которых эксплуатируется изделие).

Цена по запросу

Наличие по запросу

Способы доставки

  • Доставка по Пензе
  • Доставка по России (все города)
  • Самовывоз

Способы оплаты

  • Б/н оплата по счету