Характеристики
Цвет | серый |
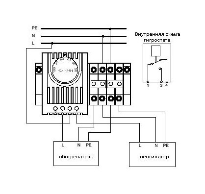
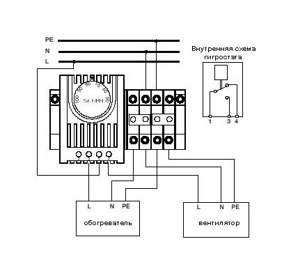
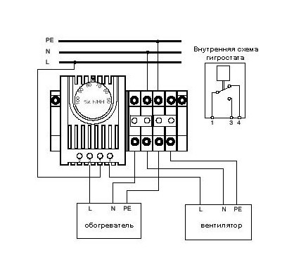
Описание | Электрическая регулировка влажности посредством включения / выключения системы вентиляторов, электрических обогревателей или модулей кондиционирования. |
Цена по запросу
Наличие по запросу
Способы доставки
Способы оплаты
Заказ обратного звонка
Запросить товар
Быстрый заказ
Спасибо за заказ! С Вами свяжется наш менеджер и уточнит детали заказа, а также время доставки.
Произошла ошибка. Пожалуйста, попробуйте ещё раз или свяжитесь с нами по телефону или e-mail.
Товар добавлен в корзину!